爱发科活塞泵DOP-N181S
DOP-N181S 活塞泵
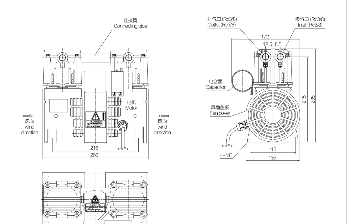
特长:小型,大排气量、气体接触部位无油的干式真空泵,内置过热保护的设计,更安全,简单的构造,使维护更简单方便
详情请咨询:13901543292李小姐
QQ咨询:290962889
详细介绍
用途
√医疗健康(氧浓缩器、生化分析等)
√ 食品、医药、化工(真空包装、气体置换等)
√ 理化学(溶剂回收、真空干燥等)
√分析(电子显微镜、质量分析等)
√半导体制造(吸附、搬运、安装等)
√环境、节能(燃料电池)



上一篇:暂无



爱发科GLD油旋片泵N051-202