你好,欢迎来到苏州开拓真空设备有限公司官网!欢迎来电咨询:13901543292/13301548005
设为首页 | 加入收藏 | 繁體中文
首页 > 产品系列 > 真空泵 > 爱发科ULVAC 正文 爱发科ULVAC
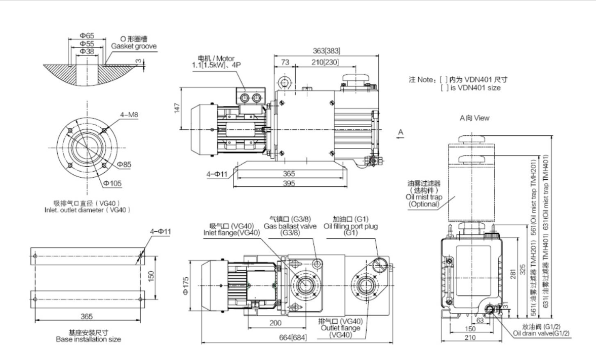
爱发科VDN油旋片泵301/401

油旋片式真空泵

用途:镀膜、溅射、离子镀,气体置换、充填、真空隔热,真空干燥、冷冻干燥、真空脱气,分析仪器、检漏装置,真空包装、真空吸附,搬运、真空成形、真空铸造等

详情请咨询:13901543292李小姐

QQ咨询:290962889


详细介绍

特长
√实现了低噪音
由于彻底的低噪音设计和精密的加工,从而达到了低噪音化
√优秀的保养、维修性能
因为能在真空泵与其他设备的连接管道不拆除的情况下,将泵的主体部分取下,所以清洗保养及油封等的更换变的非常容易。为使日常保养工作方便容易,油量确认、油补充、油更换的方向为同一操作方向,为延长使用油的补充期,采用了1.0~2.5升可变油量方式

√能对应全压强领域的连续运转
采用高吸气压强也能稳定运转的强制供油方式。选用油雾过滤器、油回收装置及耐热密封件后,就能在大气压以下的全压强范围内连续运转

image.png

image.png

image.png



上一篇:爱发科PVD油旋片泵N180-N360-1

下一篇:爱发科VDN油旋片泵602/902

相关产品

  • Copyright 2018 ©kaituozkb.com.COM All Rights Reserved. 版权所有 苏州开拓真空设备有限公司          苏ICP备19063345号-1
  • 咨询电话:139-0154-3292