你好,欢迎来到苏州开拓真空设备有限公司官网!欢迎来电咨询:13901543292/13301548005
设为首页 | 加入收藏 | 繁體中文
首页 > 产品系列 > 真空泵 > 爱发科ULVAC 正文 爱发科ULVAC
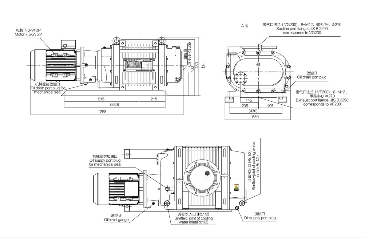
爱发科罗茨式真空泵NB2400B

NB2400B罗茨式真空泵

用途:镀膜、溅射、离子镀、液晶注入,真空干燥、冷冻干燥、真空脱气,分析仪器、密封装置,真空热处理炉、溶解炉,其他各种真空装置

详情请咨询:13901543292李小姐

QQ咨询:290962889


详细介绍

特长
√洁净的真空
腔体内没有润滑油,对水蒸气、溶剂等气体也有稳定的排气性能
√特殊表面处理
主要部件表面进行硬质氧化处理,提高耐腐蚀性,同时减少泵体、此特性可选,标志品表面不处理

√此配件可选,标准泵不配置

配置变频器缩短排气时间

√配置变频器后与粗抽泵同时启动,与标准泵相比有效缩短排气时间
√此配件可选,标准泵不配置

image.png

image.png

image.png



上一篇:爱发科罗茨式真空泵NB100B-NB1200B

下一篇:爱发科干式真空泵NRL60-180A

相关产品

  • Copyright 2018 ©kaituozkb.com.COM All Rights Reserved. 版权所有 苏州开拓真空设备有限公司          苏ICP备19063345号-1
  • 咨询电话:139-0154-3292